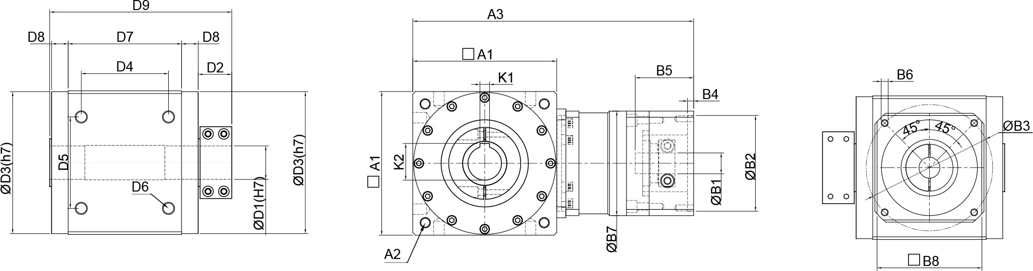
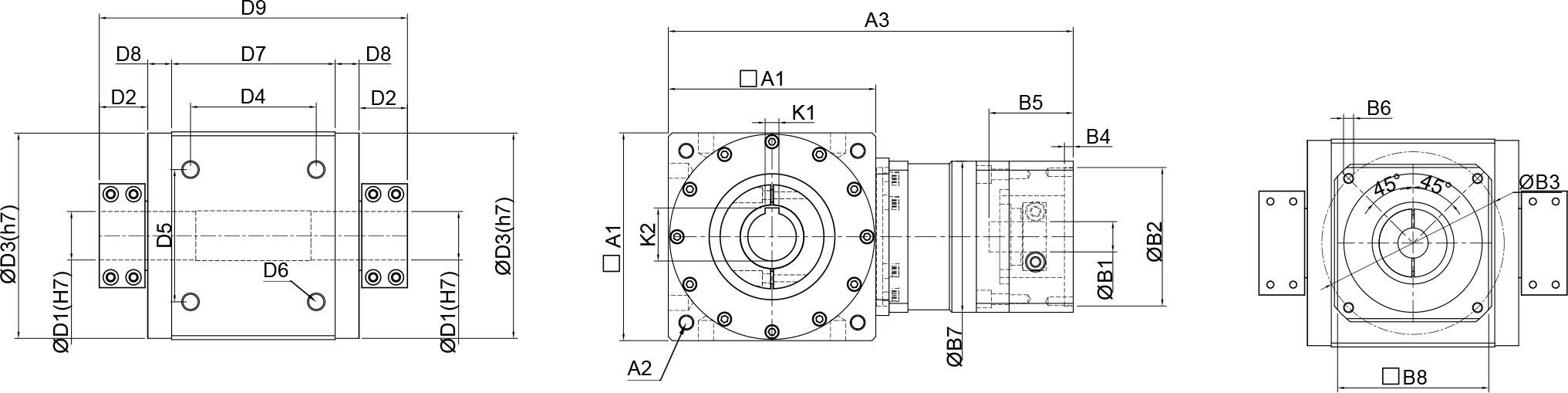
| 技术参数 | 段数 | 减速比 | BPTAW045 | BPTAW070 | BPTAW085 | BPTAW105 | BPTAW125 | BPTAW150 | BPTAW180 |
|---|---|---|---|---|---|---|---|---|---|
| 额定输出扭矩(Nm) | L1 | 3, 10 | 13 | 30 | 35 | 160 | 330 | 650 | 1200 |
| 4, 5 | 20 | 35 | 50 | 160 | 330 | 650 | 1200 | ||
| 6 | / | / | / | 140 | 280 | 550 | 1100 | ||
| 7 | 13 | 35 | 35 | 140 | 280 | 500 | 1100 | ||
| 8 | / | / | / | 115 | 230 | 450 | / | ||
| 9 | / | / | / | / | 230 | 400 | / | ||
| L2 | 12,15,40,50, 60, 70 80, 90, 100 | 13 | 35 | 35 | 115 | 230 | 400 | 900 | |
| 16, 20, 25 | 20 | 35 | 50 | 160 | 330 | 650 | 1200 | ||
| 28, 30,35, 49 | 13 | 35 | 42 | 140 | 280 | 500 | 1100 | ||
| 最大加速转距(Nm) | L1,L2 | 3-100 | 1.5倍额定输出转矩 | ||||||
| 瞬间输出转距(Nm) | L1,L2 | 3-100 | 3倍额定输出转矩 | ||||||
| 输入转数(rpm) | L1,L2 | 3-100 | 3000 | 3000 | 3000 | 3000 | 3000 | 2000 | 2000 |
| 标准背隙P2(arcmin) | L1 | 3-10 | ≤10 | ≤10 | ≤10 | ≤10 | ≤10 | ≤10 | ≤10 |
| L2 | 12-100 | ≤15 | ≤15 | ≤15 | ≤15 | ≤15 | ≤15 | ≤15 | |
| 标准背隙P1(arcmin) | L1 | 3-10 | ≤8 | ≤5 | ≤5 | ≤5 | ≤5 | ≤5 | ≤5 |
| L2 | 12-100 | ≤10 | ≤8 | ≤8 | ≤8 | ≤8 | ≤8 | ≤8 | |
| 标准背隙P0(arcmin) | L1 | 3-10 | / | ≤3 | ≤3 | ≤3 | ≤3 | ≤3 | ≤3 |
| L2 | 12-100 | / | ≤5 | ≤5 | ≤5 | ≤5 | ≤5 | ≤5 | |
| 输出轴容许径向力(N) | L1,L2 | 3-100 | 1100 | 3250 | 3250 | 5850 | 9100 | 14300 | 19500 |
| 输出轴容许轴向力(N) | L1,L2 | 3-100 | 650 | 1625 | 1625 | 2925 | 4550 | 7150 | 9750 |
| 工作寿命(Hr) | L1,L2 | 3-100 | >20000 | ||||||
| 满载时有效率(%) | L1,L2 | 3-100 | 85-90 | ||||||
| 使用温度(°C) | L1,L2 | 3-100 | -10°C ~ +90°C | ||||||
| 重量(Kg) | L1,L2 | 3-100 | 1.5-1.8 | 3.2-4.0 | 3.2-4.0 | 10.5-11.2 | 17.0-19.5 | 31.0-35.5 | 56.5-63.5 |
| 噪音值(dB) | L1,L2 | 3-100 | ≤63 | ≤68 | ≤68 | ≤70 | ≤72 | ≤73 | ≤75 |
| 技术参数 | 单位 | 减速比 | BPTAW045 | BPTAW070 | BPTAW085 | BPTAW105 | BPTAW125 | BPTAW150 | BPTAW180 |
|---|---|---|---|---|---|---|---|---|---|
| 转动惯量 | kg.cm2 | 3 | 0.042 | 0.69 | 0.69 | 4.52 | 6.35 | 13.15 | 38.96 |
| 4, 5, 6 | 0.032 | 0.56 | 0.56 | 3.82 | 5.28 | 12.62 | 37.68 | ||
| 7, 8 | 0.028 | 0.45 | 0.45 | 3.75 | 4.98 | 12.06 | 37.24 | ||
| 9, 10 | 0.027 | 0.44 | 0.44 | 3.72 | 4.87 | 11.88 | 36.65 | ||
| 12,15,16,20, 25, 30 | 0.032 | 0.56 | 0.56 | 3.82 | 5.28 | 12.62 | 12.62 | ||
| 28, 35, 49 | 0.028 | 0.45 | 0.45 | 3.75 | 4.98 | 12.06 | 12.06 | ||
| 40, 50, 60,70, 80, 90, 100 | 0.027 | 0.44 | 0.44 | 3.72 | 4.87 | 11.88 | 11.88 |














行业应用
更多可用的伺服转角减速机
工具或服务
快速联系我们
您有任何关于自动化配件与自动化系统解决方案的疑问,联系:400-886-9228 邮件:sales@bupermann.com
*请认真填写需求信息,我们会在24小时内与您取得联系。
产品中心
应用
巴普曼工业科技(广东)有限公司
广东省东莞市东城区莞长路东城段49号东科科技产业园1栋
+86 (0769) 2288 5382
+86 (0769) 2202 3909
sales@bupermann.com
© 2017 Bupermann Industrial Technology (GuangDong) Co., Ltd. 版权所有 巴普曼工业科技(广东)有限公司 法律申明 站点地图 粤ICP备17077810号-4